平面膜(防水)壓力傳感器彈性體采用進口材質、膜片隔離工藝、測試頭無引壓孔,測量過程中不存在粘稠介質堵塞的情況,一體化結構設計,電氣部分采用全密封防水結構。
適用于環境惡劣的化工涂料、油漆、泥漿、瀝青、原油等粘稠介質的壓力測量與控制
此類傳感器通常也稱為:平膜壓力傳感器、膜片型壓力變送器、化工壓力傳感器、化工壓力變送器油漆壓力傳感器、油漆壓力變送器、食品壓力傳感器、食品壓力變送器、隔膜壓力傳感器、隔膜壓力變送器、衛生型壓力傳感器、衛生型壓力變送器。
主要技術參數:
量 程: 0-0.5,1,5,10,20,30,40,50~100MPa
綜合精度: 0.2%FS、0.5%FS、1.0%FS
輸出信號: 4~20mA(二線制)、0~5V、1~5V、0~10V(三線制)
供電電壓: 24DCV(9~36DCV)
介質溫度: -20~85℃
環境溫度: 常溫(-20~85℃)
負載電阻: 電流輸出型:最大800Ω;電壓輸出型:大于50KΩ
絕緣電阻: 大于2000MΩ (100VDC
密封等級: IP65
長期穩定性能: 0.1%FS/年
振動影響: 在機械振動頻率20Hz~1000Hz內,輸出變化小于0.1%FS
電氣接口: 防水出線
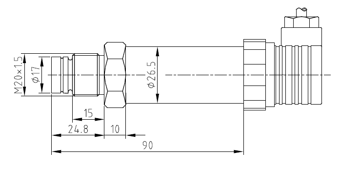
機械連接: M20×1.5、G1/2-14等,其它螺紋可依據客戶要求設計
◆ 外形尺寸



以下為防水型產品尺寸:


















管理員
該內容暫無評論