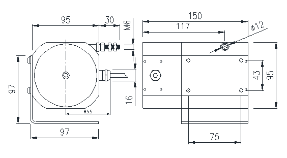
有效量程:0-4000mm,工業級設計,不卡頓,力度均勻性能穩定;采用進口鋼絲線產品壽命比普通提高兩倍。輸出信號可選;5kΩ,10kΩ;0-5v,0-10v,4-20mA,20-4mA;增量型脈沖輸出與絕對值輸出。
參數:
行程范圍:0-4000mm(行程可按要求定制,如1000mm、3500mm、4000mm)
可選信號:
模擬信號:電阻型、電流型、電壓型
線性精度:(通用型)±0.25%FS:(精密型)±0.1%FS
重復精度:0.02%FS
供電電壓:24VDC(12-30V)
產品型式:
電流型(4-20mA:或20-4mA); 電壓型 (0-5/0-10vdc:或5-0/10-0vdc)
電阻型(0-5KΩ:或0-10KΩ);
溫度范圍:-20~70℃ 極限:-35~100℃
額定功率:(Stroke 500mm)1W/40℃,(Stroke 1000mm)2W40℃
鋼絲繩:1.2mm(耐磨)
震動系數:10Hz-2000Hz,10G
拉力系數:<500g(特殊要求可定制)
最大往返速度:500mm/sec
保護等級:IP65
電纜線:5.5mm 1米
重量:2.4KG
安裝方式:支架焊接或者螺紋安裝
















管理員
該內容暫無評論