LVDT分體式位移傳感器 型號多樣 具體可聯系客服確認
特 點:
外徑Φ20mm,不銹鋼304外殼,分體式
直流單電源供電,內置高性能信號解調器
三線制電壓輸出0-5V或0-10V
二線制電流型輸出4-20mA
防護等級IP65,動態性好,性能優良
測量范圍由1mm-100mm,分辨率高,重復性好,
無滑動觸點,使用壽命長
分體式LVDT位移傳感器工作原理:
檢測鐵芯與傳感器主體分開。傳感器主體是中空的圓柱體,鐵芯的直徑小于圓柱體的內徑,鐵芯插入圓柱體的中空部分,只要傳感器與鐵芯產生相對位移,傳感器就能感應出鐵芯的位移量。由于鐵芯與傳感器不接觸,無滑動觸點,沒有機械摩擦,壽命長,頻響高。
性能參數:

產品尺寸:

鐵芯桿尺寸:

鐵芯連桿尺寸:
參數 | VBFT20 直流分體式 | ||||||
位移量程(mm) | 2.5 | 5 | 10 | 15 | 25 | 50 | 100 |
鐵桿連桿長度C(mm) | 58 | 58 | 68 | 78 | 98 | 128 | 168 |
注意事項: 說明:分體式LVDT 的鐵芯與被測量物體之間需要采用連桿進行連接,這些連桿必須用非磁性材料,可采用304或316無磁不銹鋼材料,桿的兩端配有螺紋。可根據客戶的特殊求定制不同長度及客戶連接端需求的螺紋。
安裝方式:

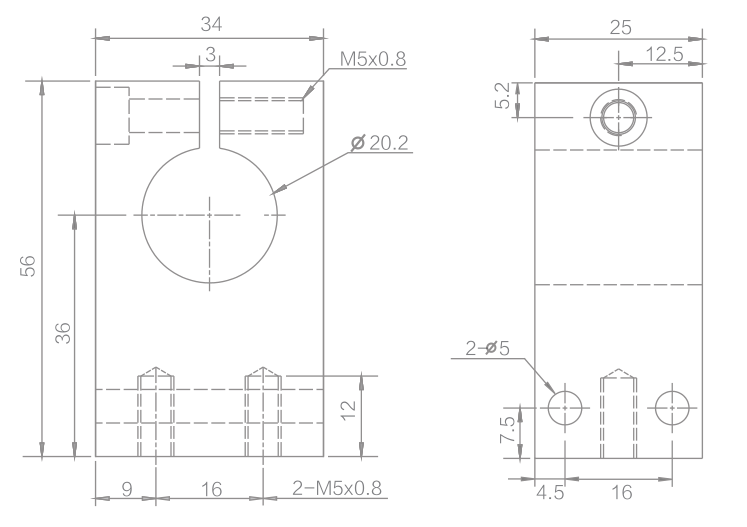
安裝支架尺寸:





















管理員
該內容暫無評論