該系列位移傳感器用于測量和控制系統中,對位移和長度進行直接和絕對測量。工作量程最大達1250mm以及高分辨率(0.01mm)可提供精確的線性位移測量。
傳感器的結構設計上考慮方便安裝及拆卸。
傳感器內外結構表面經過特殊處理,可在高速低磨損狀態下工作。傳感器前端的柔性緩沖軸承可以克服傳動桿的一些微小側向應力,保證傳感器正常工作。傳感器導電材料固定和結構設計等工藝保證即使在最惡劣的條件下傳感器也能可靠工作。
傳感器四面都有安裝槽,這樣就方便安裝時盡量將導電材料面朝下安裝,避免傳感器內部有微小雜物顆粒存在從而影響傳感器的壽命。
產品特性:
使用壽命長-運行次數可達50×106次,
線性優異
分辨率高于0.01mm
高運行速度
DIN430650標準插頭和插座
防護等級IP67
產品規格參數:


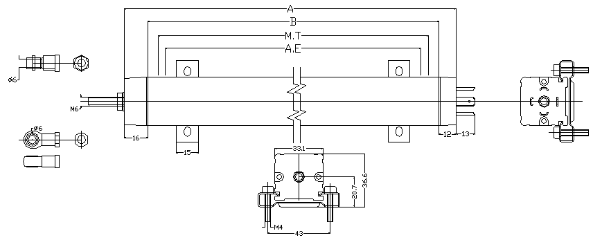
產品尺寸圖:(單位:mm)

說明:外殼 陽極氧化鋁
裝配 扣壓式固定支架
傳動裝置 不銹鋼,可旋轉
軸承 回轉滑動軸承
電阻元件 導電塑料
電刷組件 貴金屬多觸電電刷,帶彈性阻尼
電氣連接 DIN43650標準4極鍍銀插座
發貨時包含:1個免費插座GDM3009
1個密封墊 GDM3-16
2個固定支架和4個螺絲
推薦附件:鉸接頭Z60/Z301
過程控制顯示器MAP用于輸出直接顯示
信號調節器MUW/MUK,用于標準化輸出信號
V/A轉換模塊,可選配兩線電流或三線制
重要提示:在技術指標中所列的線性度、使用壽命和溫度系數等參數,是傳感器工作在以運算放大器作為傳感器分壓輸出信號的電路接口,且通過電刷的負載電流le≤1μA


















管理員
該內容暫無評論